Ningbo Richge Technology Co., Ltd.
Ningbo Richge Technology Co., Ltd.
Produkty
Zn12-12 Série Integrovaný přepínač vysavače sloupce
  • Zn12-12 Série Integrovaný přepínač vysavače sloupceZn12-12 Série Integrovaný přepínač vysavače sloupce
  • Zn12-12 Série Integrovaný přepínač vysavače sloupceZn12-12 Série Integrovaný přepínač vysavače sloupce

Zn12-12 Série Integrovaný přepínač vysavače sloupce

Model:ZN12-12
Zn12-12 Series Indoor AC HV vakuové vypínač je vnitřní vybavení tří fází AC 50Hz, jmenovité napětí 12 kV, které zavedly technologii od německé společnosti. Je vhodný pro oblast se všemi druhy zatížení a častého provozu a může se použít k ochraně a kontrole průmyslových a těžebních, podnikových elektráren a elektrických zařízení. Tento produkt je v souladu s souvisejícím požadavkem standardů GB1984, JB3855, DL403 a IEC.

Zn12-12 Série Integrovaný přepínač vysavače sloupce

  Zn12-12 Vnitřní vysokopěťové vakuové jističe jmenovité napětí 12 kV a následující vnitřní vysokopěťové rozváděče, hlavně nainstalované v pevném rozvaděči, pro průmyslové a těžební podniky, elektrárny a rozvodny pro ochranu a kontrolu elektrických zařízení a je vhodné pro důležitou zatížení a častý provoz místa a časté provoz místa a časté provoz místa a časté provoz místa a časté provoz místa!

  Vysavače řady Zn12 Série jističů jsou vnitřní vysokopěťové rozváděcí zařízení s jmenovitým napětím 12 kV, 24 kV a 40,5 kV a třífázové AC 50Hz. Jedná se o domácí produkt vyvinutý zavedením německé technologie SIEMENS 3AF. Provozní mechanismus jističe je typem jarního skladování energie, který lze provozovat pomocí AC nebo DC nebo ručně. Jistič s obvodem má jednoduchou strukturu, silnou poruchou, dlouhou životnost a kompletní provozní funkce. A nehrozí nebezpečí exploze a údržba je jednoduchá. Je vhodný pro kontrolní nebo ochranný přepínač přenosových a distribučních systémů napájení, jako jsou elektrárny, rozvody a průmyslové a těžební podniky, zejména vhodné pro porušení důležitých zatížení a častých provozních míst. Instalační forma jističe v rámci přepínací skříně může být buď pevný typ, nebo vypínacího jističe typu. Tento produkt splňuje relevantní standardy, jako jsou GB1984, JB3855 a IEC62271-100 „Vysoký napěťový střídavý jistič“.


Výhody:

1. Circuit -jistič schválil hodnocení ministerstva strojního zařízení a ministerstva elektrické energie v 96. srpnu, což znamená, že kvalita je absolutně zaručena.

Mechanismus jističe je integrován do přepínače a mechanismus typu pohonu s typem pružiny, může být provozován skladováním energie AC a DC nebo ručně.

Díky jednoduché struktuře, silnou lámací kapacitě, dlouhé životnosti, úplným provozním funkcím, bez nebezpečí exploze a snadné údržbou je tento jistič vhodný pro kontrolní nebo ochranný přepínač přenosu a distribuce energie, jako je elektrárna, městská síť, rozvodna atd. Je zvláště vhodné pro lámání důležitých zatížení a míst s častým provozem.


Funkce:

1. Rozbila kapacita obloukové komory je vysoká, proudová kapacita je nízká a elektrická životnost je dlouhá.

2. Rozložení je předem dozadu, jednoduchá a kompaktní struktura, kompletní provoz a snadná údržba.

3. Za účelem struktury a instalace je lze rozdělit do: horizontálního pevného typu, nakloněného pevného typu, typu pohyblivého středu.






Základní informace.



Technické parametry



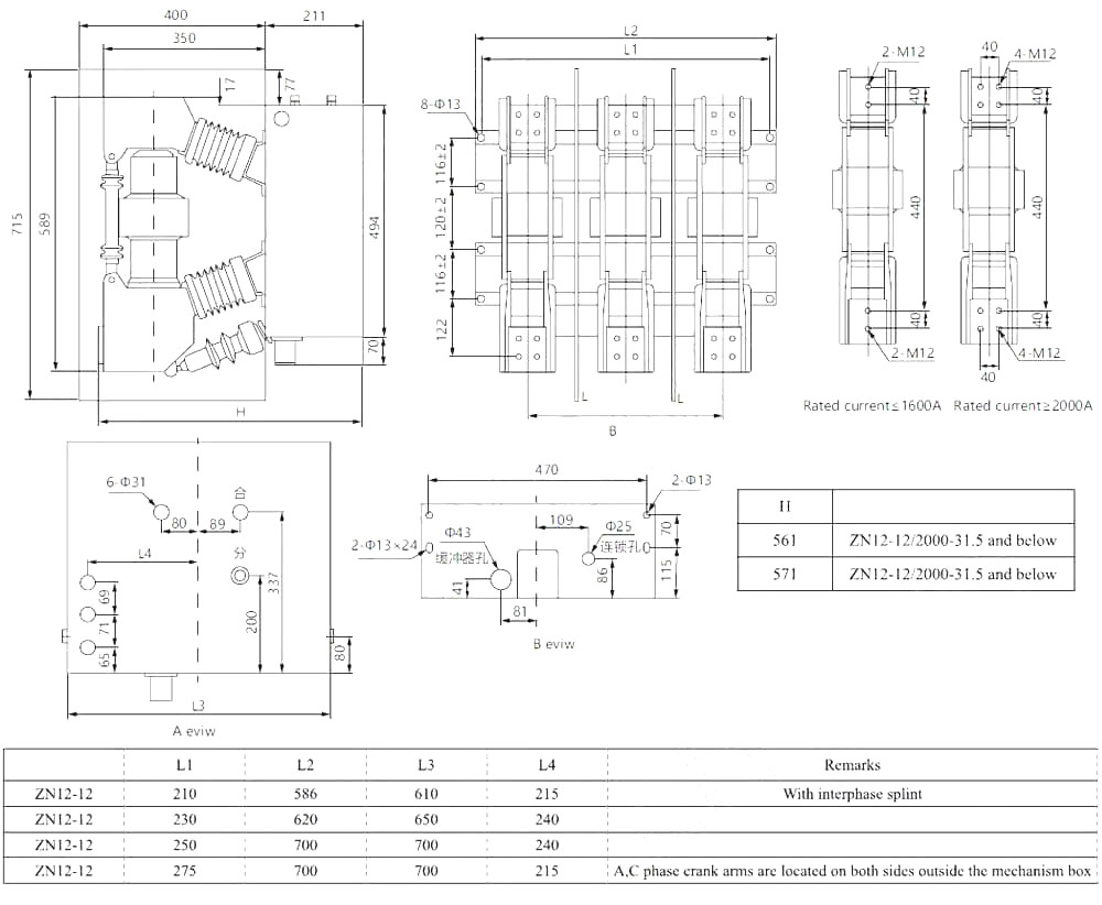
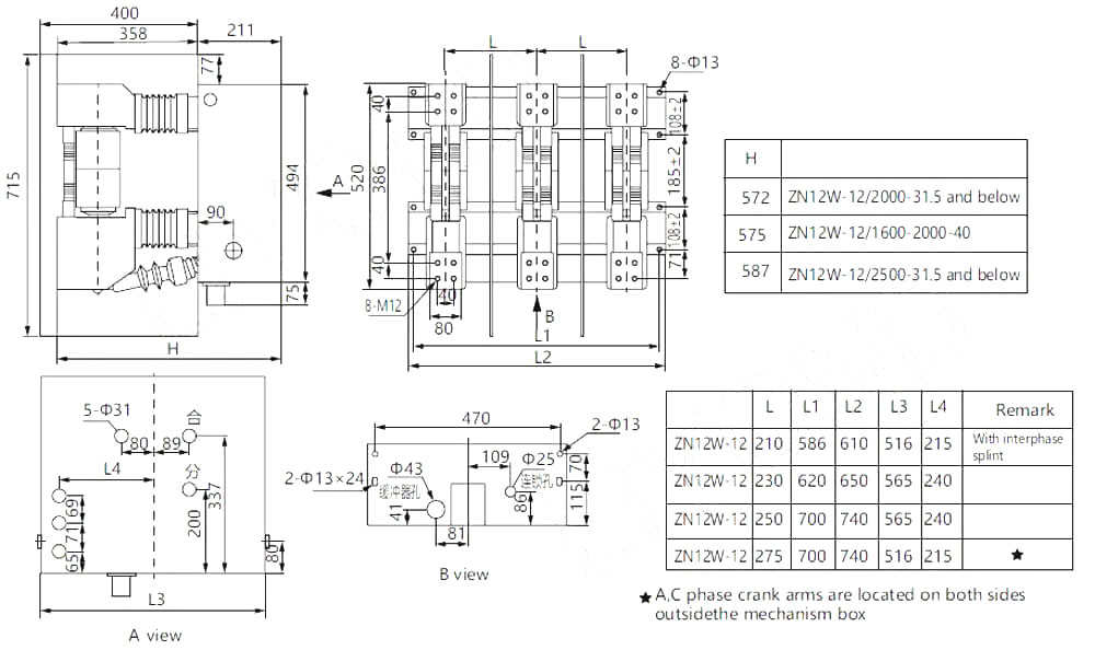
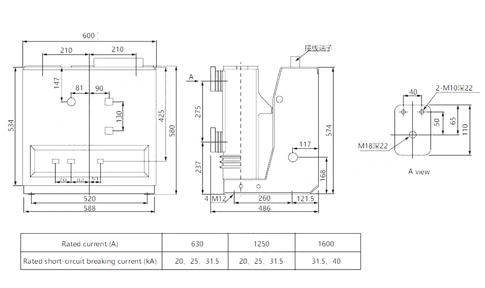
Technické výkresy


Podmínky použití Zn12-12 Integrovaný přepínač vypínače vakuového obvodu 1. Nadmořská výška: ≤1000 m; (Nadmořská výška prototypu může dosáhnout pod 4000 metrů)

2. Okolní teplota: nejvyšší +40 ° C, nejnižší -25 ° C;

3. relativní vlhkost: denní průměr ne více než 95%, měsíční průměr ne více než 90%;

4. intenzita zemětřesení: méně než 8;

5. Instalační prostředí: Žádný oheň, nebezpečí výbuchu, žádný korozivní plyn a žádné násilné vibrace.

6. Pokud prostředí použití přesahuje výše uvedené, kontaktujte výrobce jističe vakuového obvodu.




FAQ

Otázka: Mohl bych mít ceny vašich produktů?

A: Vítejte. Neváhejte a pošlete nám dotaz zde. Odpovíme vám do 24 hodin.


Otázka: Mohu získat vzorek před hromadnou objednávkou?

Odpověď: Ano, vítáme vzorovou pořadí pro testování a kontrolu kvality. Umístěné vzorky jsou přijatelné.


Otázka: Můžeme vytisknout jméno loga/ společnosti na produkty?

Odpověď: Ano, samozřejmě, přijímáme OEM, pak potřebujete, abyste nám poskytli autorizaci značky


Otázka: Přijímáte přizpůsobení produktu?

Odpověď: Ano, samozřejmě, uveďte konkrétní výkresy nebo parametry, citujeme vás po vyhodnocení


Otázka: Jaká je dodací lhůta?

Odpověď: Počasná doba závisí na objednaných množstvích, obvykle do 7-20 dnů po obdržení platby.


Otázka: Jaké jsou vaše obchodní podmínky?

Odpověď: Přijímáme EXW, FOB, CIF, FCA atd.


Otázka: Jaký je váš způsob platby?  

Odpověď: Přijímáme T/T, Western Union, PayPal, neodvolatelné L/C v dohledu atd


Otázka: kontrolujete hotové výrobky?

Odpověď: Ano, každý krok výroby a hotových výrobků bude před odesláním vyšla inspekcí oddělení QC. A před odesláním poskytneme zprávy o inspekci zboží


Otázka: Jak vyřešit problémy s kvalitou po prodeji?

Odpověď: Fotografujte problémy s kvalitou a pošlete nám pro naši kontrolu a potvrzení, vytvoříme pro vás spokojené řešení do 3 dnů.




Továrna


Osvědčení




Hot Tags: ZN12-12 Série Integrovaný přepínač vypínače Spínače vakuového obvodu, Čína, výrobce, dodavatel, továrna, nízká cena, kvalita, nejnovější prodej, pokročilý
Odeslat dotaz
Kontaktní informace
V případě dotazů na nízkonapěťové rozváděče, vysokonapěťové izolátory, vysokonapěťové uzemňovače nebo ceník nám zanechte svůj e-mail a my se vám do 24 hodin ozveme.
X
We use cookies to offer you a better browsing experience, analyze site traffic and personalize content. By using this site, you agree to our use of cookies. Privacy Policy
Reject Accept