Ningbo Richge Technology Co., Ltd.
Ningbo Richge Technology Co., Ltd.
Produkty
VBI-24 Izolační vakuový obvod s pevným typem izolačního typu
  • VBI-24 Izolační vakuový obvod s pevným typem izolačního typuVBI-24 Izolační vakuový obvod s pevným typem izolačního typu
  • VBI-24 Izolační vakuový obvod s pevným typem izolačního typuVBI-24 Izolační vakuový obvod s pevným typem izolačního typu

VBI-24 Izolační vakuový obvod s pevným typem izolačního typu

Model:VBI-24
Indoor vakuový jistič série VBI je nová generace inteligentních vakuových jističů. Její živé komponenty, včetně vysoce výkonných vakuových přerušení a horní a dolních odchozích terminálů, jsou zapouzdřeny do epoxidových pryskyřic. Tento návrh pomáhá zabránit kontaminaci na povrchu vakuového přerušení, zvyšuje jeho izolační vlastnosti, mechanickou stabilitu a prodloužení jeho provozní životnosti. Provozní mechanismus vakuového obvodu na bočním typu VBI-24 se používá pružina pro skladovací energii, která může být ovládána dvěma způsoby, manuální nebo elektrickým. Charakteristiky jsou v souladu s GB1984-89, JB3855-96<10kv Indoor High Voltage Vacuum Circuit Breaker General Technical Specifications>, Relevantní ustanovení standardu IEC56. VBI-24 Vnitřní vakuový obvod s vysokým napětím je třífázový AC 50Hz , jmenovité napětí 24 kV vnitřního zařízení , pro průmyslové a těžební podniky, elektrárny a rozvody jako účely řízení a ochrany elektrických zařízení a pro častý provoz místa.

VBI-24 Izolační vakuový obvod s pevným typem

   Série VBI-24 Série vnitřního vysavače s vysokým napětím s vestavěným pólem je tři fráze A.C.50 Hz Vnitřní distribuční zařízení s jmenovitým napětím 24 kV. Používá se pro ochranu a ovládání elektrických zařízení v polích průmyslu a těžařským podnikovým podnikem, elektrárny a rozvodem.

   Hlavním vodivým obvodem tohoto typu vakuového obvodu jističe s mechanismem pružinového mechanismu je vložený pól, který může výrazně zlepšit spolehlivost izolace, mechanického a rozbitého výkonu a skutečně si uvědomit volnou údržbu a delší mechanickou a elektrickou životnost. Tento vakuový obvod se shoduje s národními standardy a stanovením standardu IEC. Schopnost dosahuje stupně M-E2-C2.

   Produkt se používá pro mnoho druhů rozváděče, jako je KYN28-24 (GZS1) a může být pevně stanoven.

  VBI-24 Vnitřní vakuový obvod s vysokým napětím je třífázový AC 50Hz , jmenovité napětí 24 kV vnitřního zařízení , pro průmyslové a těžební podniky, elektrárny a rozvody jako účely řízení a ochrany elektrických zařízení a pro častý provoz místa.







Základní informace.


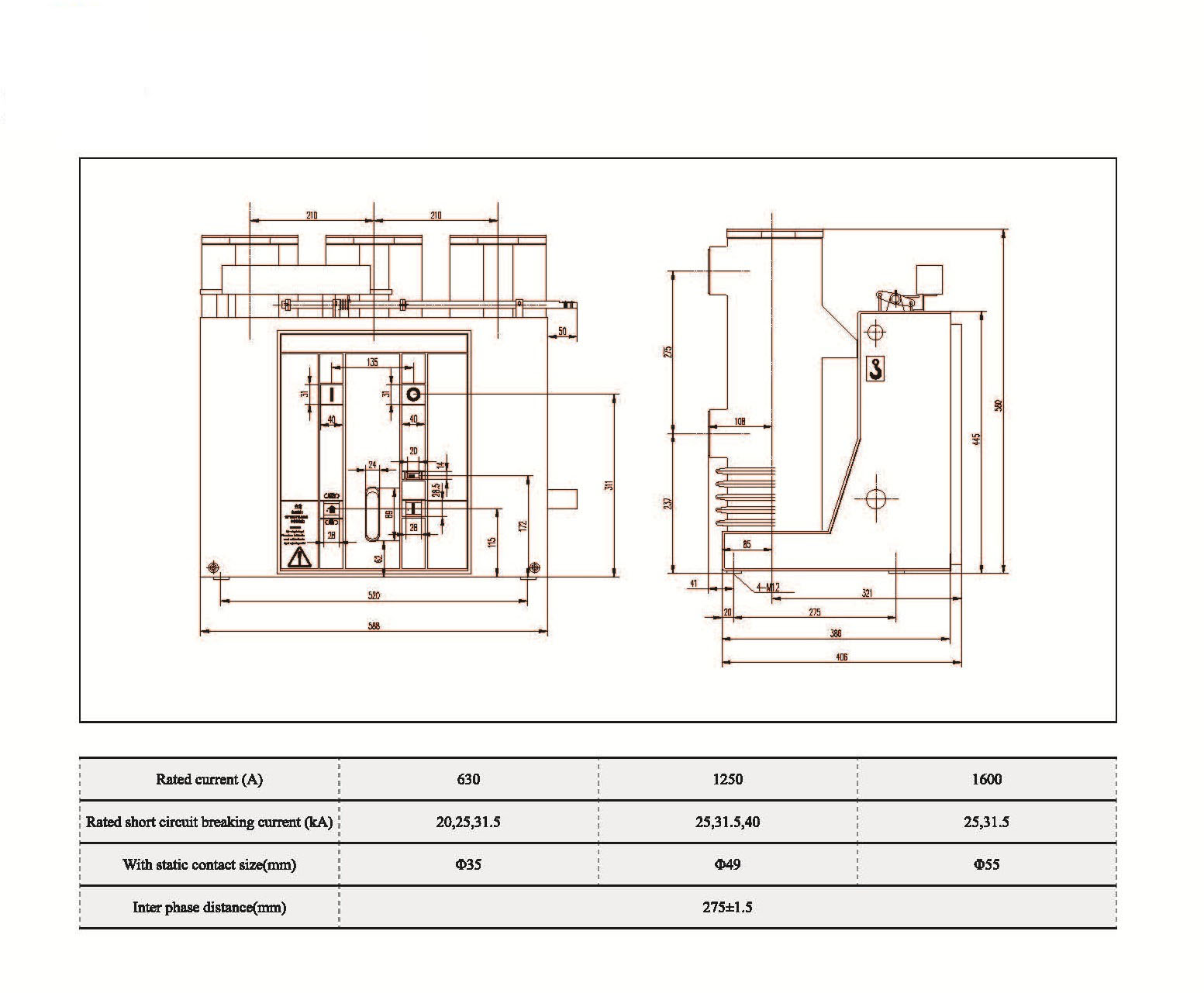
Technické parametry




Technické výkresy

FAQ

Otázka: Mohl bych mít ceny vašich produktů?

A: Vítejte. Neváhejte a pošlete nám dotaz zde. Odpovíme vám do 24 hodin.


Otázka: Mohu získat vzorek před hromadnou objednávkou?

Odpověď: Ano, vítáme vzorovou pořadí pro testování a kontrolu kvality. Umístěné vzorky jsou přijatelné.


Otázka: Můžeme vytisknout jméno loga/ společnosti na produkty?

Odpověď: Ano, samozřejmě, přijímáme OEM, pak potřebujete, abyste nám poskytli autorizaci značky


Otázka: Přijímáte přizpůsobení produktu?

Odpověď: Ano, samozřejmě, uveďte konkrétní výkresy nebo parametry, citujeme vás po vyhodnocení


Otázka: Jaká je dodací lhůta?

Odpověď: Počasná doba závisí na objednaných množstvích, obvykle do 7-20 dnů po obdržení platby.


Otázka: Jaké jsou vaše obchodní podmínky?

Odpověď: Přijímáme EXW, FOB, CIF, FCA atd.


Otázka: Jaký je váš způsob platby?  

Odpověď: Přijímáme T/T, Western Union, PayPal, neodvolatelné L/C v dohledu atd


Otázka: kontrolujete hotové výrobky?

Odpověď: Ano, každý krok výroby a hotových výrobků bude před odesláním vyšla inspekcí oddělení QC. A před odesláním poskytneme zprávy o inspekci zboží


Otázka: Jak vyřešit problémy s kvalitou po prodeji?

Odpověď: Fotografujte problémy s kvalitou a pošlete nám pro naši kontrolu a potvrzení, vytvoříme pro vás spokojené řešení do 3 dnů.




Továrna


Osvědčení




Hot Tags: VBI-24 Izolační vakuový jistič s pevným typem Izolační válec, Čína, výrobce, dodavatel, továrna, nízká cena, kvalita, nejnovější prodej, pokročilý
Odeslat dotaz
Kontaktní informace
V případě dotazů na nízkonapěťové rozváděče, vysokonapěťové izolátory, vysokonapěťové uzemňovače nebo ceník nám zanechte svůj e-mail a my se vám do 24 hodin ozveme.
X
Používáme cookies, abychom vám nabídli lepší zážitek z prohlížení, analyzovali návštěvnost webu a přizpůsobili obsah. Používáním tohoto webu souhlasíte s naším používáním souborů cookie. Zásady ochrany osobních údajů
Odmítnout Přijmout